• IIANews微官网
    扫描二维码 进入微官网
    IIANews微信
    扫描二维码 关注微信
    移动客户端
  • English
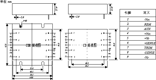
CB(H)48S2.5/3A 元件式DC/DC单路电源模块
品牌: 南京鹏图
产品描述:

  CB,CBH系列DC/DC电源模块是一类体积适中,单路输出的产品.其各项指标保持很高的水平.TRIM端使输出电压可以在+10%内调节.设有遥控端子(REM),使外部控制成为可能.其高效的转换,可靠的性能,完美的控制方式被广泛应用于电信,工控各类仪器等领域.

·输入Π型滤波
·高可靠性,长寿命设计
·引出脚功能兼容
·功率覆盖范围广,便于升级
·高功率密度(25W/立方英寸)
·快速动态反应
·满负荷效率可达90%
·输入与输出隔离

用户服务:010-50928528
展会合作:13366701120
广告合作:010-62625666
我要投稿:news@iianews.com