• IIANews微官网
    扫描二维码 进入微官网
    IIANews微信
    扫描二维码 关注微信
    移动客户端
  • English
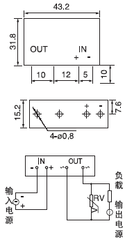
JGX-5FA SSR单相电路板式固态继电器
品牌: 温州阳明
产品描述:

常用于空调机、捆钞机、麻将机及其他家用电器

用户服务:010-50928528
展会合作:13366701120
广告合作:010-62625666
我要投稿:news@iianews.com