温州阳明关注排行
产品描述:

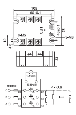
1、负载10A,必须安装散热器,40A以上加风扇强冷或水冷。
2、使用感性负载时,请务必在输出端并接一压敏电压,取值为负载电压的1.6-1.9倍
| 规格分类 |
D3810A D3820A D3825A D3830A D3840A D3850A D3860A D3875A D3880A D38100A D38120A | |

京公网安备 11011202001138号
