产品描述:
能非屏蔽安装在金属支架里。
直流3线输出。
内装输出端超电流保护及电源逆保护回路。
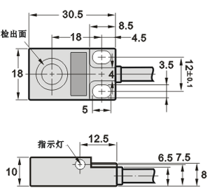
ABS外壳,10×18×30mm。
配线为电缆引线。

能非屏蔽安装在金属支架里。
直流3线输出。
内装输出端超电流保护及电源逆保护回路。
ABS外壳,10×18×30mm。
配线为电缆引线。
