• IIANews微官网
    扫描二维码 进入微官网
    IIANews微信
    扫描二维码 关注微信
    移动客户端
  • English
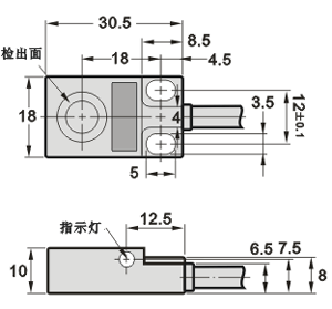
LJK-1050N5TO接近传感器
品牌: 三易
产品描述:

能非屏蔽安装在金属支架里。
直流2线\3线输出。
内装输出端超电流保护及电源逆保护回路。
ABS外壳,10×25×50mm。
配线为电缆引线。

●直流二线

用户服务:010-50928528
展会合作:13366701120
广告合作:010-62625666
我要投稿:news@iianews.com